Heat-Sinks-R-Cool
New Around These Parts
- Joined
- Aug 24, 2022
- Messages
- 8
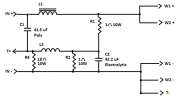
I traced this crossover and created the attached schematic. It's from an outdoor two-way 2 woofer/1 Tweeter. Woofers are 5 1/4" 8 ohm aluminum cone and a 1" dome tweeter. I can sort of understand the low pass filter (Woofer 1 and 2). I dont know the values of the Inductors, but L1 has a ferrite core and L2 is an air core. Cap values are measured values. Is the low pass a 3rd order filter? I am totally confused on how to analyze this particular crossover. It's not like any I've seen, but have not seen too many , so maybe it's just my rookie status...LOL


