62vauxhall
Veteran and General Yakker
- Joined
- May 14, 2014
- Messages
- 2,358
- Location
- Southwest Kootenays BC
- Tagline
- No such things as bad days, just bad moments
I've had this deck for a while now and lugged it along when I moved. My thought was to part it out after I got here but instead, will give another go at making it work.
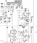
There is a 2SD288 transitor at position Q1 that is bad. I thought I could salvage one from a different board but it is bad too so I need to replace it with something. I have some MJE15032G's leftover from the Sony integrated I was helped with. It might be overkill but there do not seem to be specs below 2SD288 except for Transition Frequency - 30MHz comparted to 35MHz.

Does an MJE15032G look viable?

I hope this next bit makes sense.
The 2SD288 originally lay flat against the board, held down with a machine screw passing through the collector plate with nylon spacer washer and a mica sheet - all now long gone. If I am able to use an MJE15032G, any problem if it sticks straight up?
The 2SD288 was flush against PC board material, not a metal heatsink and the machine screw threaded into the deck's metal frame. As mentioned, the necessary mounting hardware is MIA so it woud be much easier if It could be left standing upright. Maybe an MJE15032G won't get as warm, not needing to dissipate as much heat as a 2SD288?


There is a 2SD288 transitor at position Q1 that is bad. I thought I could salvage one from a different board but it is bad too so I need to replace it with something. I have some MJE15032G's leftover from the Sony integrated I was helped with. It might be overkill but there do not seem to be specs below 2SD288 except for Transition Frequency - 30MHz comparted to 35MHz.

Does an MJE15032G look viable?

I hope this next bit makes sense.
The 2SD288 originally lay flat against the board, held down with a machine screw passing through the collector plate with nylon spacer washer and a mica sheet - all now long gone. If I am able to use an MJE15032G, any problem if it sticks straight up?
The 2SD288 was flush against PC board material, not a metal heatsink and the machine screw threaded into the deck's metal frame. As mentioned, the necessary mounting hardware is MIA so it woud be much easier if It could be left standing upright. Maybe an MJE15032G won't get as warm, not needing to dissipate as much heat as a 2SD288?


Last edited: