mlucitt
Veteran and General Yakker
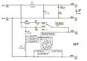
Testing amplifiers at 20kHz at rated output both channels driven should always be performed to ensure that the amplifier meets factory specs! The duration of test should not be too long. Otherwise, you may run the risk of blowing the Zobel network (particularly when driving a 4 ohm load).
Ed, is the inductance compensating network (Zobel) needed when the amplifier drives a passive frequency dividing network that crosses over at 800 Hz and contains both a low pass filter and a high pass filter, such as the venerable JBL 3110?
